Flue Gas Cleaning Library

Overview
51 Available Units
Example Projects

FGC_Lib is a model library for modeling flue gas cleaning systems by solving the steady-state mass and energy balances. The aim is to support the basic design of process sequences, the determination of operating conditions and the assessment of the streams of flue gas, additive, by-product and waste with respect to flow, composition, and thermal state.

The performance of the single-unit operations (removal efficiency, the stoichiometry of additive supply, pressure drop, etc..) is to be specified by the user. Flow, composition, and the thermal state of the drain streams result from chemical/thermodynamic models of the particular operation.

FC_adsorber
adsorber
FC_centrifuge
centrifuge
FC_combustor
combustor
FC_compressor
compressor
FC_condenser
condenser, condensation of vapor components
FC_conveyor
conveyor solids
FC_cyclone
cyclone, gas-solid separation
FC_delta_h_gas
heat sink/source for stream_gas
FC_delta_h_liq
heat sink/source for stream_liq
FC_denox_scr
denox, selective catalytic reduction
FC_dropletcollector
droplet/mist removal from gasstreams
FC_injector_sol
injection solids for dry/quasidry sorption
FC_esp
electrostatic precipitator
FC_evaporator
heated evaporator for aqueous solutions
FC_evaporator_NHX
evaporator NHX
FC_fabricfilter
fabric filter
FC_htex_gas_gas
heat exchanger gas/gas
FC_htex_gas_liquid
heat exchanger gas/liquid
FC_htex_liquid_gas
heat exchanger liquid/gas
FC_htex_liquid_liquid
heat exchanger liquid/liquid
FC_hydrocyclone
hydrocyclone
FC_injector_liq
injection and evaporation of liquids into a gas stream
FC_injector_NHX
injection ammonia additives
FC_mixer_gas
mixer gas/gas
FC_mixer_liq
mixer for liquid streams
FC_mixer_sol
mixer solids
FC_monitor_gas
monitor gas streams
FC_monitor_liq
monitor liquid streams
FC_neutralizer
neutralization
FC_oxidation
oxidation reactor
FC_pipe_gas
pipe for gaseous streams
FC_pipe_liq
pipe for liquid streams
FC_pump
pump
FC_scrubber
wet scrubbing of sour gases, co-current mode with quenching zone on top
FC_sink_gas
sink for stream_gas
FC_sink_liq
sink for stream_liq
FC_sink_sol
sink for stream_sol
FC_slurrytank
slurry tank
FC_source_gas
source for stream_gas
FC_source_liq
source for stream_liq
FC_source_sol
source for stream_sol
FC_splitter_gas
splitter streamgas
FC_splitter_liq
splitter streamliq
FC_splitter_sol
splitter streamsol
FC_spraydryer
spraydryer
FC_spraytower
wet scrubbing of sour gases, counter-current mode and air-supply (optional)
FC_thickener
thickener
FC_valve_gas
valve for gaseous streams
FC_valve_liq
valve for liquid streams
motor
motor
optimization
optimization element
DeNOx SCR Process
Nitrogen oxides are removed from the flue gas by selective catalytic reduction (SCR). Aqueous ammonia (ammonium hydroxide) is vaporized and used as the reducing agent.
SNOX Process
The SNOX process (developed by Haldor Topsoe) is based on catalytic reactions and does not consume water or absorbents. Sulfur dioxide, nitrogen oxides and particulates are removed from the flue gas.
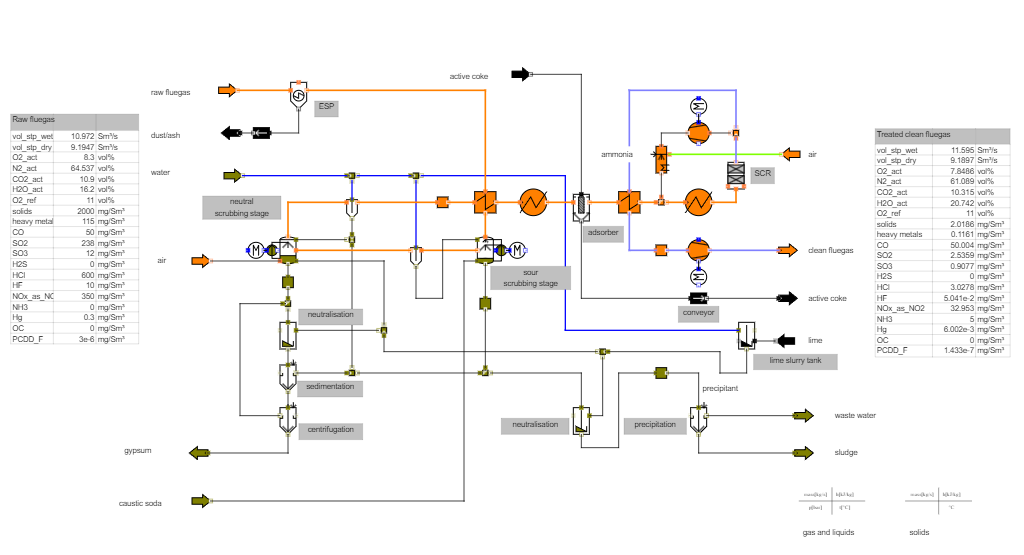
Waste Incineration Plant FGC Process
Typical flue gas cleaning process for a municipal waste inceration plant. It consists of an electrostatic precipitator (ESP) for dedusting, a neutral and a sour scrubbing stage, lime, gypsum and waste water processing, and a gas polishing and denitrification (DeNOx) section.
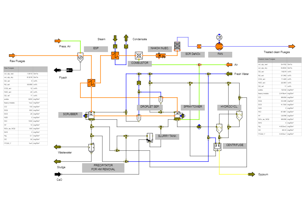
Wet FGC Process
Wet flue gas cleaning process for typical fluegas from a thermal waste incineration plant. It consists of an electrostatic precipitator (ESP), a wet scrubbing section, flue gas reheating and selective catalytic reduction denitrification (SCR DeNOx) using ammonium hydroxide as reducing agent.